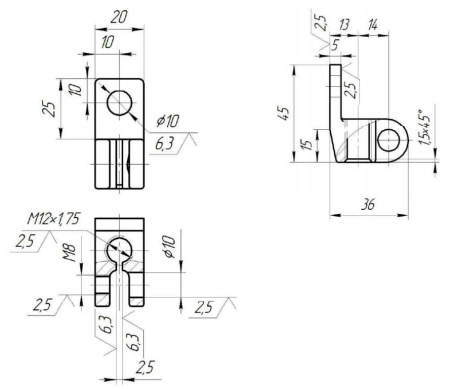
Характеристики
Мощность трансформатора, кВА
—
160
Резьба на шпильке трансформатора
—
М12х1,75
Количество отверстий на контактной площадке
—
1 отверстие
Габаритные размеры ДхШхВ, мм
—
36х20х45
Масса, кг
—
0.55
Нашли дешевле?
Наличие уточняйте у наших менеджеров
