Характеристики
Серия трансформатора
—
3НОЛ
U перв. обмотки, В
—
6000
U втор. обмотки, В
—
100/√3, 100/3
Рабочее напряжение, В
—
6000
Класс точности
—
0,5
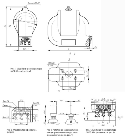
Габаритные размеры ДхШхВ, мм
—
328x160x298
Все характеристики
Наличие уточняйте у наших менеджеров
Документы
2e96bd9391aec67802c1a2785a44ab64
130,6 кб
Серия трансформатора
3НОЛ
U перв. обмотки, В
6000
U втор. обмотки, В
100/√3, 100/3
Рабочее напряжение, В
6000
Класс точности
0,5
Габаритные размеры ДхШхВ, мм
328x160x298
Масса, кг
28
