0 ₽/шт
Варианты цен
0 ₽/шт
0 ₽/шт
Варианты цен
0 ₽/шт
0 ₽/шт
Варианты цен
0 ₽/шт
0 ₽/шт
Варианты цен
0 ₽/шт
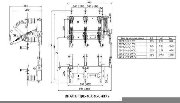
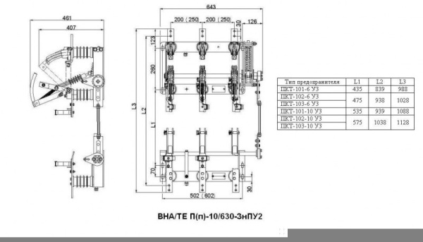
Выключатели нагрузки автогазовые серии ВНА необходим для подключения и выключения участков цепей переменного 3х фазного тока частотой 50 - 60Гц под нагрузкой, номинальным напряжением до 10кВ и номинальным током 400, 630А, и, кроме того, заземления отсоединенных участков посредством заземлителей. Применяется для эксплуатации в шкафах комплектных распределительных устройств (КРУ), камерах стационарных одностороннего обслуживания (КСО) и комплектных трансформаторных подстанциях (КТП, БКТП).
