Характеристики
Предохранитель
—
ПН-2
Габаритные размеры ДхШхВ, мм
—
1800х600х450
Масса, кг
—
100
Нашли дешевле?
Наличие уточняйте у наших менеджеров
Описание
Корпус устройства ВРУ1-22-53 изготовлен из листового металла толщиной до 2мм, каркасного исполнения. Степень защиты оболочки корпуса IP31(возможно изготовление степенью защиты IP54). В стандартную комплектацию не входят боковые панели (заказываются дополнительно). Устройство ВРУ 1-22-53 представляет собой электрощит с установленными элементами защиты и управления внутри корпуса. Панель ВРУ1 служит для приема, учета и распределения электроэнергии трехфазных и однофазных сетей 380/220. Устанавливается в помещениях с умеренной влажностью. Каждое устройство имеет паспорт изделия, сертификат соответствия, схему подключения.
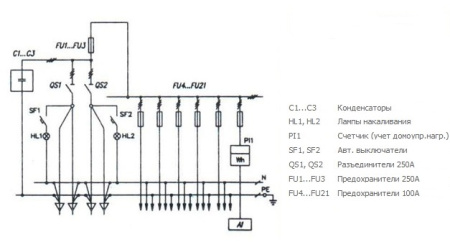
ВРУ1-22-53 - это вводно-распределительная панель на 200А с блоком автоматического управления освещением БАУО на 14 групп и 1 электросчетчиком домоуправленческих нагрузок. Предусмотрено размещение двух трехфазных групп. На вводе установлены рубильники(переключатели) серии ВР-32 на номинальный ток 200А. На отходящих линиях установлены предохранители серии ППН, ПН-2 или аналогичные. Внутри корпуса устройства предусмотрено освещение с двух сторон. Предусмотрены трансформаторы тока, испытательные коробки. В стоимость стандартной комплектации не входят электросчетчики. Как правило мы устанавливаем счетчики Меркурий, Энергомера, Матрица или иных производителей. Для электросчетчиков предусмотрена расключка. Внутри шкафа установлены шины заземления и ноль. Дверь корпуса также имеет заземление. Возможна комплектация по вашим схемам и с различным оборудованием (в том числе ABB, Schneider Electric, Legrand).
ВРУ1-22-53 - это вводно-распределительная панель на 200А с блоком автоматического управления освещением БАУО на 14 групп и 1 электросчетчиком домоуправленческих нагрузок. Предусмотрено размещение двух трехфазных групп. На вводе установлены рубильники(переключатели) серии ВР-32 на номинальный ток 200А. На отходящих линиях установлены предохранители серии ППН, ПН-2 или аналогичные. Внутри корпуса устройства предусмотрено освещение с двух сторон. Предусмотрены трансформаторы тока, испытательные коробки. В стоимость стандартной комплектации не входят электросчетчики. Как правило мы устанавливаем счетчики Меркурий, Энергомера, Матрица или иных производителей. Для электросчетчиков предусмотрена расключка. Внутри шкафа установлены шины заземления и ноль. Дверь корпуса также имеет заземление. Возможна комплектация по вашим схемам и с различным оборудованием (в том числе ABB, Schneider Electric, Legrand).
