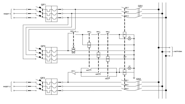
Шкаф управления представляет собой комплекс объектов. Включает в себя коммутационное оборудование, системы защиты, частотные преобразователи и органы систематизации на базе микропроцессоров. Для подключения к сети применяется распределительная оснастка.
Применение
Описываемые объекты позволяют решать вопросы производственного и бытового предназначения:
-
осуществление защиты коммуникации от внешнего влияния;
-
обеспечение компактного расположения станций коммуникации;
-
модернизация расположенных внутри объекта составляющих и функционала;
-
решение проблем с поломками на линии и авариями объектов на производстве.
Спектр решаемых проблем может дополняться вопросами снижения расходов на эксплуатацию насосно-компрессорной станции посредством уменьшения потребления энергии.
Принцип работы
Функционирование основывается на принципах автоматики. Обеспечивается контроль изменения состояния всей оснастки, сфера применения за счёт этого практически не ограничивается. В устройство доставляется переменный ток заданного параметра напряжения и сопротивления. Цена шкафа управления назначается специализированным магазином, возможна покупка через интернет.


